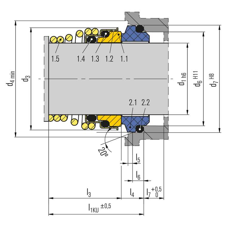
Item Description
1.1 Seal face
1.2 Collar
1.3 O-Ring
1.4 O-Ring
1.5 Spring
2.1 Stationary seat
2.2 O-Ring

BT-FN

Features

  • Single seal
  • For plain shafts
  • Unbalanced
  • Conical spring rotating
  • Dependent on direction of rotation
  • Torque transmission via conical spring

Advantages

  • Economical seal solution
  • Universal application opportunities
  • Designed for high volume seal applications
  • High flexibility due to extended selection of materials
  • No damage of the shaft by clamping screws
  • Dimensions can be customized
  • Additional seats available

Operating range

Shaft diameter:
d1= 10 … 40 mm (0.39" … 1.57")
Pressure: p1*= 12 (16) bar (174 (232) PSI)
Temperature:
t* = -35 °C… +180 °C (-31 °F … +356 °F)
Sliding velocity: vg = 15 m/s (50 ft/s)

* Dependent on medium, size and material

Materials

Materials Seal face:
Al-Oxide (V, V1), Silicon carbide (Q1, Q6, Q7), Tungsten carbide (U)
Seat:
Carbon graphite antimony impregnated (A),
Carbon graphite resin impregnated (B),
Carbon graphite, full carbon (B3),
Silicon carbide (Q1, Q6, Q7),
Tungsten carbide (U)
PTFE glass fiber reinforced (Y1), PTFE carbon reinforced (Y2)
Elastomers:
NBR (P), EPDM (E), FKM (V), FFKM (K)
Metal parts:
CrNi steel 1.4301 (F), CrNiMo steel 1.4401 (G)

Standards and approvals

  • Various material approvals e.g. WRAS, UBA, ACS, NSF, FDA available (depending on type and material combinations). Please inquire!
  • EN 12756 (FN.NU, FN.KU)

Notes

Alternative seat ring can be supplied with short tail or long tail with slot for pin (to prevent seat rotation).



Product variants

BT-FN.NU

BT-FN.NU

Items and designations same as for BT-FN, but with installation length l1N according to EN 12756 (Normal, Unbalanced).

Item Description
1.1 Seal face
1.2 Collar
1.3, 1.4 O-Ring
1.5 Spring
2.1 Stationary Seat
2.2 O-Ring
BT-FN.KU

BT-FN.KU

Items and designations same as for BT-FN, but with installation length l1K according to EN 12756 (Short, Unbalanced).
Item Description
1.1 Seal face
1.2 Collar
1.3, 1.4 O-Ring
1.5 Spring
2.1 Stationary Seat
2.2 O-Ring

Similar products

AX25

  • External configuration
  • Balanced
  • Independent of direction of rotation
  • Independent of pressure direction

AX25D

  • Dual seal
  • Balanced
  • Independent of direction of rotation
  • Independent of pressure direction

AX30

  • Unbalanced
  • Dependent on direction of rotation
  • Solid seats
Contact

Inquire about individual solutions

We develop and produce customer-specific special and individual solutions for every application.

Inquire now Discover reference projects
Back to the overview