With around 250 locations and 90 serve centers, we are represented in the most important economic regions of the world. The advantages are clear: short paths to our customers, fast response times and a shared language.
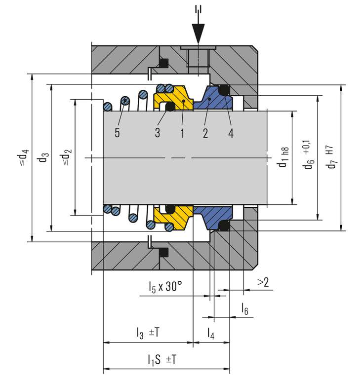
| Item | Description |
| 1 | Seal ring |
| 2 | Mating ring |
| 3, 4 | O-Ring |
| 5 | Spring |
We develop and produce customer-specific special and individual solutions for every application.